Высокая точность, высокая чистота
Подходит для слабой кислоты и слабой щелочной промышленной среды контроля
Особенности Защита от столкновений
Предоставляет несколько методов передачи пластин
С функцией картографии
Рейтинг защиты IP21
Можно использовать с треком
Конечный эффектор может быть настроен


Robot Specifications


Controller Specifications

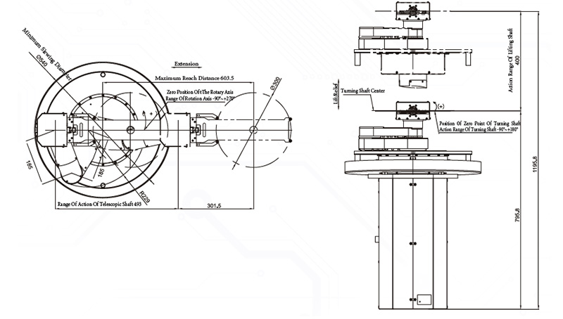
Product Layout

закрыть
Сканируйте QR-код с помощью смартфона.закрыть