Атмосферные роботы
Атмосферные роботы в основном используются в фронт-энд модулях полупроводникового процессного оборудования или процессного оборудования. Используется в EFEM или атмосферном транспорте в модулях процесса, таких как диффузионное оборудование, оборудование для очистки, оборудование для обнаружения, оборудование CMP и т.д.
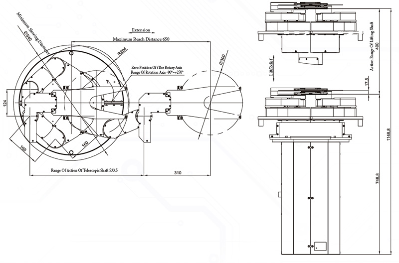
Наши атмосферные роботы обладают характеристиками высокой точности и стабильности и могут предоставлять индивидуальные услуги на основе реальных потребностей клиентов.


